聯系人:王經理
銷售電話:15610293837
銷售QQ:2962700085
公司地址:山東省濰坊高新區新城街道玉清社區光電路155號濰坊高新區光電產業加速器(一期)1號樓301

PRODUCT CENTER
聯系人:王經理
銷售電話:15610293837
銷售QQ:2962700085
公司地址:山東省濰坊高新區新城街道玉清社區光電路155號濰坊高新區光電產業加速器(一期)1號樓301
空氣質量傳感器又稱智慧路燈環境傳感器,八要素微氣象儀,空氣質量傳感器是一款空氣質量檢測儀,可用于檢測空氣中的風速、風向、溫度、濕度、氣壓、pm2.5、pm10、噪聲等參數,廣泛應用于環境監測方面。
一、空氣質量傳感器產品簡介
空氣質量傳感器又稱智慧路燈環境傳感器,八要素微氣象儀,空氣質量傳感器是一款空氣質量檢測儀,可用于檢測空氣中的風速、風向、溫度、濕度、氣壓、pm2.5、pm10、噪聲等參數,廣泛應用于環境監測方面。
山東萬象環境科技有限公司作為專業研發生產銷售微型氣象儀的企業,一直致力于微型氣象儀和氣象環境解決方案推廣應用。具有完整的生產鏈、實力雄厚的技術團隊和全面的營銷團隊,我們研發生產的超聲波風速風向儀、五要素微氣象儀、六要素微氣象儀和小型自動氣象站等氣象產品,已廣泛應用到氣象監測、城市環境監測、風力發電、航海船舶、航空機場、橋梁隧道等領域,客戶遍布全國各地,并取得了良好的社會效益和經濟效益。
與傳統的微型氣象儀相比,我司產品克服了對高精度計時器的需求,避免了因傳感器啟動延時、解調電路延時、溫度變化而造成的測量不準問題。
WX-WQX8型八要素微氣象儀創新性地將氣象標準參數(風速、風向、溫度、濕度、氣壓、pm2.5、pm10、噪聲)通過一個高集成度結構來實現,可實現戶外氣象參數24小時連續在線監測,通過數字量通訊接口將八項參數一次性輸出給用戶。產品結構緊湊,外形美觀、大方、高度集成。
二、空氣質量傳感器產品特點
1、頂蓋隱藏式超聲波探頭,避免雨雪堆積的干擾,避免自然風遮擋
2、原理為發射連續變頻超聲波信號,通過測量相對相位來檢測風速風向
3、風速、風向、溫度、濕度、氣壓、pm2.5、pm10、噪聲八要素一體式
4、采用先進的傳感技術,實時測量,無啟動風速☆
5、抗干擾能力強,具有看門狗電路,自動復位功能,保證系統穩定運行
6、高集成度,無移動部件,零磨損
7、免維護,無需現場校準
8、采用ASA工程塑料室外應用常年不變色
9、產品設計輸出信號標配為RS485通訊接口(MODBUS協議);可選配232、USB、以太網接口,支持數據實時讀取☆
10、可選配無線傳輸模塊,最小傳輸間隔1分鐘
11、探頭為卡扣式設計,解決了運輸、安裝過程松動不準的問題☆
三、空氣質量傳感器技術參數
1.風速(標配):量程:0~60m/s;分辨率0.01m/s;精度:±0.1m/s(北京市氣象局校準證書)☆
2.風向(標配):量程:0~360°;分辨率:1°;精度:±2°(北京市氣象局校準證書)☆
3.空氣溫度(標配):量程:-40-60℃;分辨率0.01℃;精度:±0.3℃(25℃)(北京市氣象局校準證書)☆
4.空氣濕度(標配):量程:0-100%RH;分辨率:0.01%RH;精度:±3%RH(北京市氣象局校準證書)☆
5.大氣壓力(標配):量程:30-110Kpa;分辨率0.01Kpa;精度:±0.25%(北京市氣象局校準證書)☆
6.PM2.5(標配):量程:0-1000ug/m3;分辨率1ug/m3;精度:±10%(<500微克)
7.PM10(標配):量程:0-1000ug/m3;分辨率1ug/m3;精度:±10%(<500微克)
8.噪聲(標配):量程:30-120dB;分辨率0.1dB;精度:±1.5dB
9.其他可選配要素:壓電雨量、TSP、一氧化碳、二氧化硫、二氧化氮、臭氧、光照度、光學雨量、總輻射、二氧化碳、氧氣含量、硫化氫、氫氣、氯氣、氨氣、氯化氫、氰化氫、氟化氫、磷化氫、二氧化氯、環氧乙烷、一氧化氮、過氧化氫、四氫噻吩、甲醛、VOC、催化燃燒可燃氣
9.功率:0.72W
10.生產企業具有ISO質量管理體系、環境管理體系、職業健康管理體系認證☆
11.生產企業具有專利證書和計算機軟件注冊證書☆
12.生產企業為3A級信用企業
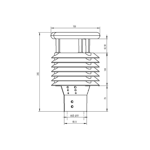
四、空氣質量傳感器產品尺寸圖

五、空氣質量傳感器產品結構圖

1、控制電路
2、指北箭頭
3、超聲波探頭
4、百葉箱PM2.5、PM10
5、溫度、濕度、噪聲、氣壓監測位置
6、法蘭轉換頭
※此產品可選配電子羅盤功能
六、產品接線定義

定義 | 備注 | |
VCC | 電源正 | DC12V |
GND | 電源地 | |
485A | RS485A | |
485B | RS485B |
WX-FBQ2化工防爆氣象站的核心優勢,在于其能夠適應化工生產環境的特殊需求。化工生產區域往往存在易燃易爆的氣體或粉塵,對氣象監測設備提出了極高的防爆要求。而化工防爆氣象站正是針對這一需求而設計的,它采用了防爆外殼和防爆電路,確保在化工生產環境中能夠安全、穩定地運行,不會因氣象監測而引發安全事故。···
土壤是作物生長的基礎,WX-Q3高標準農田設備中的土壤監測設備,如土壤傳感器和土壤墑情監測儀,能夠實時監測土壤的濕度、溫度、pH值以及肥力狀況。這些數據對于農民來說至關重要,它們可以幫助農民精準施肥、合理灌溉,確保作物在最佳的生長環境中茁壯成長。通過土壤監測數據的分析,農民可以優化土壤結構,提高土壤肥力,從而減少資源浪費,提高作物產量和質量。···
用上這款WX-CSQX2超聲波風速風向記錄儀是非常合適的,這款設備是開發的現代環境氣象儀器,可以實現高精度、高分辨率的測量。不受電磁干擾和環境噪聲的影響,具有較強的抗干擾能力,它幫助農民了解當前風條件,特別是對于防治風災方面具有重要意義。超聲波風速風向記錄儀可以自動上傳測量數據,實時發送至服務器,上網頁查看數據,無論身在何處只要能上網···
WX-CZ5S車載自動氣象站能夠實時監測并記錄賽事現場及周邊區域的氣象數據,包括但不限于溫度、濕度、風速、風向、氣壓等關鍵指標。這些數據通過先進的傳感器技術和無線通信技術實時傳輸至中央控制系統,為賽事組織者提供了即時、準確的氣象信息。借助這些信息,組織者可以及時了解氣象狀況,為賽事的決策與調整提供科學依據。···
WX-FZ4防腐木負氧離子監測站就是采用防腐木材質制作的、能夠實時監測空氣中負氧離子濃度的設備。負氧離子被譽為空氣中的“維生素”,對人體健康有著諸多益處,如改善心肺功能、促進新陳代謝、增強免疫力等。在公園景區中,負氧離子的含量往往較高,這也是吸引游客的重要因素之一。然而,隨著環境污染的加劇和游客活動的增多,負氧離子的濃度也會受到影響,甚至可能下降到對人體健康不利的水平。···
現代的WX-SW1水文監測設備在水位監測方面展現出了卓越的性能。它們采用了先進的傳感技術和通信技術,能夠實時、精準地感知水位的變化。這些設備就像敏銳的“感知器”,無論是在白天還是黑夜,無論是在平靜的水面還是波濤洶涌的江河,都能穩定地工作,將水位信息準確地傳輸到監測中心。而且,它們具有高度的自動化和智能化特點,無需人工頻繁干預,大大提高了監測的效率和可靠性。···