聯系人:王經理
銷售電話:15610293837
銷售QQ:2962700085
公司地址:山東省濰坊高新區新城街道玉清社區光電路155號濰坊高新區光電產業加速器(一期)1號樓301

PRODUCT CENTER
聯系人:王經理
銷售電話:15610293837
銷售QQ:2962700085
公司地址:山東省濰坊高新區新城街道玉清社區光電路155號濰坊高新區光電產業加速器(一期)1號樓301
環境監測傳感器又稱智慧路燈監測傳感器,環境監測傳感器用于測量路燈周圍的空氣質量,提供了環境監測功能,為城市管理者和居民提供了更安全、高效和環保的路燈系統。
一、環境監測傳感器產品簡介
環境監測傳感器又稱智慧路燈監測傳感器,環境監測傳感器用于測量路燈周圍的空氣質量,提供了環境監測功能,為城市管理者和居民提供了更安全、高效和環保的路燈系統。
山東萬象環境科技有限公司作為專業研發生產氣象傳感器的企業,一直致力于氣象傳感器和氣象環境解決方案推廣應用。具有完整的生產鏈、實力雄厚的技術團隊和全面的營銷團隊,我們研發生產的傳感器已廣泛應用到智慧農業、氣象監測、城市環境監測、風力發電、航海船舶、航空機場、橋梁隧道等領域,客戶遍布全國各地,并取得了良好的社會效益和經濟效益。
二、產品特點
1、抗干擾能力強,具有看門狗電路,自動復位功能,保證系統穩定運行
2、高集成度,無移動部件,零磨損
3、免維護,無需現場校準
4、采用ASA工程塑料室外應用常年不變色
5、產品設計輸出信號標配為RS485通訊接口(MODBUS協議);可選配232、USB、以太網接口,支持數據實時讀取☆
6、可選配無線傳輸模塊,最小傳輸間隔1分鐘
三、技術參數
1、空氣溫度:-40-60℃(±0.3℃);(北京市氣象局校準證書)
2、空氣濕度:0-100%RH(±3%RH);(北京市氣象局校準證書)
3、光照:0-20W LUX(5%)
4、PM2.5:0-1000ug/m3(±10%)
5、PM10:0-1000ug/m3(±10%)
6、噪聲:30-120dB(±1.5dB)
7、功率:0.96W
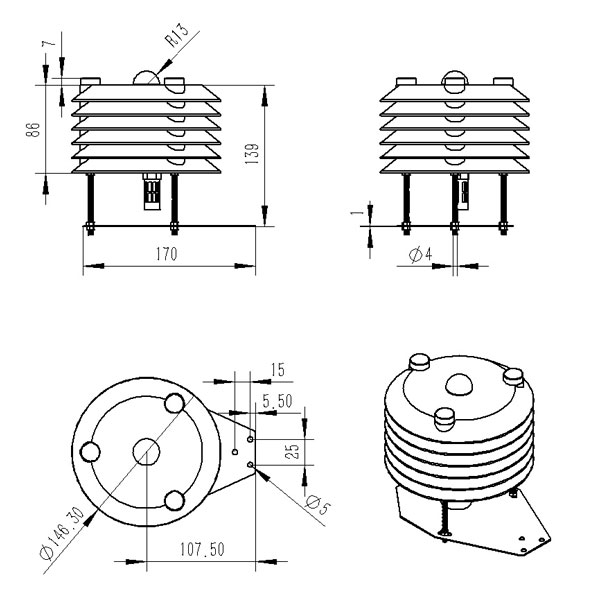
四、產品尺寸圖

五、產品結構圖

簡單來說,WX-XY3智慧性誘測報系統是一套集成了生物學、信息學和計算機科學等多個領域先進技術的智能化害蟲管理系統。它利用害蟲的生物學特性,通過特定的誘捕裝置和智能分析系統,實現對害蟲的定向誘捕和實時監測。系統通過精確控制釋放害蟲喜好的性信息素或食物氣味,吸引害蟲進入誘捕裝置。一旦害蟲進入,系統便會立即啟動捕捉機制,將害蟲安全地捕捉并收集起來。···
WX-LSZ06水產養殖監測站數據的處理與分析是精準把握水質狀況的關鍵。收集到的原始數據需要經過清洗、整理、校準等步驟,以確保數據的準確性和可靠性。隨后,利用統計學方法和數據分析軟件,對監測數據進行深入挖掘和分析,揭示水質變化的規律和趨勢。這不僅有助于及時發現潛在問題,還能為制定針對性的水質調控措施提供科學依據。···
WX-GTS5管式墑情監測儀是一種專門用于實時監測土壤水分含量的設備。它利用先進的傳感器技術,能夠深入土壤不同深度,快速、準確地測量土壤的水分、溫度及電導率等關鍵參數。這些傳感器被巧妙地安裝在細長的管式結構中,能夠實現對土壤墑情的分層監測,使得農戶能夠全面了解土壤水分的垂直分布規律。···
WX-WQX7七參數氣象傳感器的核心價值,在于它能同時捕捉自然環境的多個維度。空氣溫度與濕度,是天氣冷暖與干濕直接體現;風速與風向,訴說著大氣的流動方向;大氣壓力,如同大氣的“重量”,預示著天氣的潛在變化;光學雨量,通過光線的折射變化,感知雨滴的落下;光照,則是太陽輻射強度的直觀反映。···
WX-LDSW01河道水位監測站可以對河道內的水位和降雨量進行全方位監測,首先對水位監測是一項連續性、系統化的工作,采用非接觸式測量方式通過監測數據的分析來及時發現水位的異常波動,預警生態環境遭到破壞的風險,也可以為掌握水庫庫容變化提供數據支持。再者對降雨量的監測,河道水位監測站搭載雨量傳感器,根據它輸出的信號再經過軟件計算,就能輸出降雨量值···
WX-SJ15手動15米可升降避雷針的核心優勢在于其可升降的設計。這一特性使得避雷針能夠根據不同場所、不同高度的防雷需求進行靈活調整。當需要防雷保護的區域高度發生變化時,操作人員只需通過簡單的手動操作,即可實現避雷針高度的快速調整,從而確保防雷效果的最大化。此外,這種可升降的設計還有助于避雷針的維護和保養,降低了維護成本,延長了使用壽命。···