聯系人:王經理
銷售電話:15610293837
銷售QQ:2962700085
公司地址:山東省濰坊高新區新城街道玉清社區光電路155號濰坊高新區光電產業加速器(一期)1號樓301

PRODUCT CENTER
聯系人:王經理
銷售電話:15610293837
銷售QQ:2962700085
公司地址:山東省濰坊高新區新城街道玉清社區光電路155號濰坊高新區光電產業加速器(一期)1號樓301
溫濕度大氣壓噪聲傳感器又稱噪音溫濕度一體傳感器,百葉箱傳感器,溫濕度大氣壓噪聲傳感器可以測量溫濕度、大氣壓力、噪聲等參數,集成度高,安裝方便,采用進口元件,測量精度高,適用于室外氣體環境監測領域。
一、溫濕度大氣壓噪聲傳感器產品簡介
溫濕度大氣壓噪聲傳感器又稱噪音溫濕度一體傳感器,百葉箱傳感器,溫濕度大氣壓噪聲傳感器可以測量溫濕度、大氣壓力、噪聲等參數,集成度高,安裝方便,采用進口元件,測量精度高,適用于室外氣體環境監測領域。
山東萬象環境科技有限公司作為專業研發生產氣象傳感器的企業,一直致力于氣象傳感器和氣象環境解決方案推廣應用。具有完整的生產鏈、實力雄厚的技術團隊和全面的營銷團隊,我們研發生產的傳感器已廣泛應用到智慧農業、氣象監測、城市環境監測、風力發電、航海船舶、航空機場、橋梁隧道等領域,客戶遍布全國各地,并取得了良好的社會效益和經濟效益。
二、產品特點
1、抗干擾能力強,具有看門狗電路,自動復位功能,保證系統穩定運行
2、高集成度,無移動部件,零磨損
3、免維護,無需現場校準
4、采用ASA工程塑料室外應用常年不變色
5、產品設計輸出信號標配為RS485通訊接口(MODBUS協議);可選配232、USB、以太網接口,支持數據實時讀取☆
6、可選配無線傳輸模塊,最小傳輸間隔1分鐘
三、技術參數
1、空氣溫度:-40-60℃(±0.3℃);(北京市氣象局校準證書)
2、空氣濕度:0-100%RH(±3%RH);(北京市氣象局校準證書)
3、大氣壓力:30-110Kpa(±0.25%);(北京市氣象局校準證書)
4、噪聲:30-120dB(±1.5dB)
5、功率:0.12W
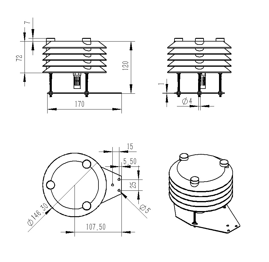
四、產品尺寸圖

五、產品結構圖

WX-FZ5全彩屏負氧離子監測站是一種集高科技與環保理念于一體的環境監測設備,它采用高精度傳感器,能夠實時監測空氣中的負氧離子濃度以及其他多種氣象要素,如溫度、濕度、PM2.5、PM10等。這些數據通過全彩屏直觀展示,使得游客和管理者能夠一目了然地了解當前的環境質量狀況。對于旅游景區而言,全彩屏負氧離子監測站的作用尤為顯著。···
WX-BGF11光伏檢測氣象站是一種集成了多種高精度傳感器的智能監測設備,它專門設計用于光伏電站現場,能夠實時采集并處理與光伏發電效率密切相關的氣象數據。這些傳感器包括但不限于太陽輻射傳感器、溫度傳感器、風速風向傳感器、濕度傳感器等,它們如同一個個敏銳的“感官”,全面覆蓋并精準監測著影響光伏發電效率的關鍵因素。···
隨著全球氣候的變化和人類活動的不斷增加,森林火災的頻發已成為一個不容忽視的問題。森林中,火災是一種極具破壞性的自然災害。它不僅會燒毀大片的林木,破壞生態環境,還可能威脅到人們的生命財產安全。因此,森林防火工作顯得尤為重要。而WX-SL10森林防火氣象站,作為森林防火氣象監測的優選工具,在預防和控制森林火災中發揮著不可替代的作用。···
WX-XL2超聲波雪量傳感器利用的是超聲波技術對學的表面進行距離探測的傳感器,將降雪過程監測記錄分析,實現人工雪深自動化不間斷監測的高精度智能降雪測量。由于這款設備采用超聲波原理,具有精度高、功耗低、防沙塵、免維護安裝方便等特點,可長期連續測量降雪厚度、時段降雪量等,利用超聲波雪量傳感器的科學觀測和實時傳輸的特點,將積雪情況準確的反映給用戶···
WX-CS150超聲波水深探測儀是一種利用超聲波原理測量水深的儀器。它就像海洋的“透視眼”,能夠穿透深邃的海水,將海底的輪廓清晰地呈現在我們眼前。這種神奇的儀器不僅廣泛應用于海洋測繪、海洋工程、漁業資源調查等領域,還為我們探索深海資源、研究海洋環境提供了強有力的技術支持。超聲波水深探測儀的工作原理十分簡單。它向海底發射一束超聲波,當超聲波遇到不同密度的介質時,會產生反射。···
WX-FGF9光伏環境監測站可以針對光伏環境進行氣象監測,這樣的監測可以更為快捷地確定輸出的變化是由天氣條件引起的,還是由于嚴重的硬件退化或故障引起的。不管是哪一種原因引起的都要及時采取措施才能保證光伏電站有效運行。系統可以連接到監控系統上,由監控系統對環境監測系統的數據進行顯示、記錄及分析。···