聯系人:王經理
銷售電話:15610293837
銷售QQ:2962700085
公司地址:山東省濰坊高新區新城街道玉清社區光電路155號濰坊高新區光電產業加速器(一期)1號樓301

PRODUCT CENTER
聯系人:王經理
銷售電話:15610293837
銷售QQ:2962700085
公司地址:山東省濰坊高新區新城街道玉清社區光電路155號濰坊高新區光電產業加速器(一期)1號樓301
五要素氣象傳感器又稱五要素傳感器,五要素氣象儀,五要素氣象傳感器采用先進的五要素一體式傳感器,實時測量風速、風向、溫度、濕度、大氣壓力等氣象參數,為區域環境內的實時天氣狀況等氣象數據提供準確的資料。
一、五要素氣象傳感器產品簡介
五要素氣象傳感器又稱五要素傳感器,五要素氣象儀,五要素氣象傳感器采用先進的五要素一體式傳感器,實時測量風速、風向、溫度、濕度、大氣壓力等氣象參數,為區域環境內的實時天氣狀況等氣象數據提供準確的資料。
山東萬象環境科技有限公司作為專業研發生產銷售微型氣象儀的企業,一直致力于微型氣象儀和氣象環境解決方案推廣應用。具有完整的生產鏈、實力雄厚的技術團隊和全面的營銷團隊,我們研發生產的超聲波風速風向儀、五要素微氣象儀、六要素微氣象儀和小型自動氣象站等氣象產品,已廣泛應用到氣象監測、城市環境監測、風力發電、航海船舶、航空機場、橋梁隧道等領域,客戶遍布全國各地,并取得了良好的社會效益和經濟效益。
與傳統的微型氣象儀相比,我司產品克服了對高精度計時器的需求,避免了因傳感器啟動延時、解調電路延時、溫度變化而造成的測量不準問題。
WX-WQX5型五要素微氣象儀創新性地將風速、風向、溫度、濕度、大氣壓力通過一個高集成度結構來實現,可實現戶外氣象參數24小時連續在線監測,通過數字量通訊接口將五項參數一次性輸出給用戶。
二、產品特點
1、頂蓋隱藏式超聲波探頭,避免雨雪堆積的干擾,避免自然風遮擋
2、原理為發射連續變頻超聲波信號,通過測量相對相位來檢測風速風向
3、風速、風向、溫度、濕度、大氣壓力五要素一體式
4、采用先進的傳感技術,實時測量,無啟動風速☆
5、抗干擾能力強,具有看門狗電路,自動復位功能,保證系統穩定運行
6、高集成度,無移動部件,零磨損
7、免維護,無需現場校準
8、采用ASA工程塑料室外應用常年不變色
9、產品設計輸出信號標配為RS485通訊接口(MODBUS協議);可選配232、USB、以太網接口,支持數據實時讀取☆
10、可選配無線傳輸模塊,最小傳輸間隔1分鐘
11、探頭為卡扣式設計,解決了運輸、安裝過程松動不準的問題☆
三、技術參數
1.風速(標配):量程:0~60m/s;分辨率0.01m/s;精度:±0.1m/s(北京市氣象局校準證書)☆
2.風向(標配):量程:0~360°;分辨率:1°;精度:±2°(北京市氣象局校準證書)☆
3.空氣溫度(標配):量程:-40-60℃;分辨率0.01℃;精度:±0.3℃(25℃)(北京市氣象局校準證書)☆
4.空氣濕度(標配):量程:0-100%RH;分辨率:0.01%RH;精度:±3%RH(北京市氣象局校準證書)☆
5.大氣壓力(標配):量程:30-110Kpa;分辨率0.01Kpa;精度:±0.25%(北京市氣象局校準證書)☆
6.其他可選配要素:壓電雨量、TSP、一氧化碳、二氧化硫、二氧化氮、光學雨量、臭氧、PM2.5、PM10、噪聲、總輻射、光照度、二氧化碳、氧氣含量、硫化氫、氫氣、氯氣、氨氣、氯化氫、氰化氫、氟化氫、磷化氫、二氧化氯、環氧乙烷、一氧化氮、過氧化氫、四氫噻吩、甲醛、VOC、催化燃燒可燃氣
7.功率:0.72W
8.生產企業具有ISO質量管理體系、環境管理體系、職業健康管理體系認證☆
9.生產企業具有專利證書和計算機軟件注冊證書☆
10.生產企業為3A級信用企業☆
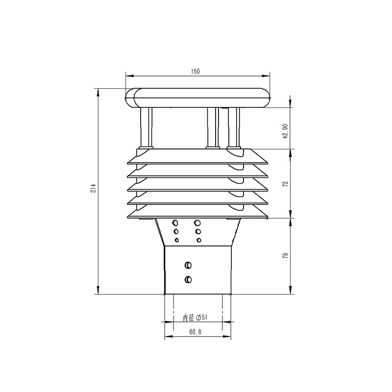
四、產品尺寸圖

五、產品結構圖

1、控制電路
2、指北箭頭
3、超聲波探頭
4、百葉箱
5、溫度、濕度、氣壓監測位置
6、底部固定法蘭
※此產品可選配電子羅盤、GPRS(內置)/GPS(二選一)
六、產品接線定義

定義 | 備注 | |
VCC | 電源正 | DC12V |
GND | 電源地 | |
485A | RS485A | |
485B | RS485B |
WX-SZFB05河道水質監測站的工作看似簡單,實則責任重大。它們需要對河流的水質進行定期的檢測和分析,包括水的溫度、pH值、溶解氧、濁度、氨氮、總磷等多項指標。這些數據的背后,隱藏著河流的健康狀況,也直接關系到我們的飲水安全和生態環境。隨著科技的進步,河道水質監測站的工作也在不斷創新。無人機、遙感技術、物聯網等新技術的應用,讓監測工作更加高效和精確?!ぁぁ?/p>
在化工園區、油庫周邊或是煤礦井下,環境條件的微小變化都可能成為引發事故的導火索。溫度、濕度、風速、風向、氣壓……這些看似平常的氣象要素,在特定環境下卻可能成為決定性的安全因素。WX-FBQ2危險場所防爆氣象站,正是基于這樣的需求應運而生。它集成了高精度傳感器、智能數據處理系統及防爆外殼設計,能夠在惡劣環境下持續監測并實時傳輸關鍵氣象數據,為管理者提供決策支持,有效預防因自然因素引發的事故?!ぁぁ?/p>
這款WX-CQD3增強款蟲情測報儀,相較于傳統設備,最大的亮點在于其高達800萬像素的攝像頭。這一升級不僅提升了圖像的清晰度,更使得蟲情監測的精準度得到了質的飛躍。無論是微小的昆蟲還是復雜的生態環境,都能被清晰地捕捉并記錄下來,為農業從業者提供更為全面、細致的數據支持。在實際應用中,這款蟲情測報儀展現出了強大的功能。它不僅能夠實時監測農田中的蟲害情況,還能通過分析圖像數據,預測蟲害的發展趨勢···
在水資源日益緊張的今天,每一滴水都顯得尤為珍貴。WX-GTS3土壤墑情自動監測站通過精準的數據分析,指導農民在作物最需要水分的時刻進行灌溉,大幅度提高了水資源的利用效率。同時,減少不必要的灌溉次數和水量,還有助于減少化肥和農藥的流失,促進生態平衡,實現綠色可持續的農業生產?!ぁぁ?/p>
這款WX-NJD50 50km能見度監測站是一款專門針對高速公路能見度和環境的監測站,這種氣象站配備了多種傳感器,包括能見度、風向、風速、溫度、濕度、大氣壓力等傳感器,實時測量地面大氣的能見度數據,為交通管理部門提供重要參考,有助于提前預警和應對低能見度天氣帶來的交通安全隱患?!ぁぁ?/p>
WX-ZS06六參數水質在線分析儀能夠同時監測并分析水質的六個關鍵參數,這些參數涵蓋了水質的多個重要方面,如水溫、電導率、PH、溶解氧、氨氮、濁度等,共同構成了對水質全面而精準的評價體系。這款分析儀的最大亮點在于其在線監測能力。與傳統的水質檢測方法相比,它無需人工取樣、送檢,就能實時、準確地獲取水質數據?!ぁぁ?/p>