聯系人:王經理
銷售電話:15610293837
銷售QQ:2962700085
公司地址:山東省濰坊高新區新城街道玉清社區光電路155號濰坊高新區光電產業加速器(一期)1號樓301

PRODUCT CENTER
聯系人:王經理
銷售電話:15610293837
銷售QQ:2962700085
公司地址:山東省濰坊高新區新城街道玉清社區光電路155號濰坊高新區光電產業加速器(一期)1號樓301
空氣質量傳感器又稱空氣傳感器,室內環境監測系統,空氣質量傳感器主要用于檢測空氣環境中的溫度、濕度、PM2.5、PM10、CO2、甲醛等多種要素,基本涵蓋了反映室內空氣質量的各個指標。
一、空氣質量傳感器產品簡介
空氣質量傳感器又稱空氣傳感器,室內環境監測系統,空氣質量傳感器主要用于檢測空氣環境中的溫度、濕度、PM2.5、PM10、CO2、甲醛等多種要素,基本涵蓋了反映室內空氣質量的各個指標。
山東萬象環境科技有限公司作為專業研發生產銷售微型氣象儀的企業,一直致力于微型氣象儀和氣象環境解決方案推廣應用。具有完整的生產鏈、實力雄厚的技術團隊和全面的營銷團隊,我們研發生產的超聲波風速風向儀、五要素微氣象儀、六要素微氣象儀和小型自動氣象站等氣象產品,已廣泛應用到氣象監測、城市環境監測、風力發電、航海船舶、航空機場、橋梁隧道等領域,客戶遍布全國各地,并取得了良好的社會效益和經濟效益。
與傳統的微型氣象儀相比,我司產品克服了對高精度計時器的需求,避免了因傳感器啟動延時、解調電路延時、溫度變化而造成的測量不準問題。
WX-WQX8型八要素微氣象儀創新性地將氣象標準參數(風速、風向、溫度、濕度、氣壓、pm2.5、pm10、噪聲)通過一個高集成度結構來實現,可實現戶外氣象參數24小時連續在線監測,通過數字量通訊接口將八項參數一次性輸出給用戶。產品結構緊湊,外形美觀、大方、高度集成。
二、產品特點
1、頂蓋隱藏式超聲波探頭,避免雨雪堆積的干擾,避免自然風遮擋
2、原理為發射連續變頻超聲波信號,通過測量相對相位來檢測風速風向
3、風速、風向、溫度、濕度、氣壓、pm2.5、pm10、噪聲八要素一體式
4、采用先進的傳感技術,實時測量,無啟動風速☆
5、抗干擾能力強,具有看門狗電路,自動復位功能,保證系統穩定運行
6、高集成度,無移動部件,零磨損
7、免維護,無需現場校準
8、采用ASA工程塑料室外應用常年不變色
9、產品設計輸出信號標配為RS485通訊接口(MODBUS協議);可選配232、USB、以太網接口,支持數據實時讀取☆
10、可選配無線傳輸模塊,最小傳輸間隔1分鐘
11、探頭為卡扣式設計,解決了運輸、安裝過程松動不準的問題☆
三、技術參數
1.風速(標配):量程:0~60m/s;分辨率0.01m/s;精度:±0.1m/s
2.風向(標配):量程:0~360°;分辨率:1°;精度:±2°
3.空氣溫度(標配):量程:-40-60℃;分辨率0.01℃;精度:±0.3℃(25℃)
4.空氣濕度(標配):量程:0-100%RH;分辨率:0.01%RH;精度:±3%RH
5.大氣壓力(標配):量程:30-110Kpa;分辨率0.01Kpa;精度:±0.25%
6.PM2.5(標配):量程:0-1000ug/m3;分辨率1ug/m3;精度:±10%(<500微克)
7.PM10(標配):量程:0-1000ug/m3;分辨率1ug/m3;精度:±10%(<500微克)
8.噪聲(標配):量程:30-120dB;分辨率0.1dB;精度:±1.5dB
9.其他可選配要素:壓電雨量、TSP、一氧化碳、二氧化硫、二氧化氮、臭氧、光照度、光學雨量、總輻射、二氧化碳、氧氣含量、硫化氫、氫氣、氯氣、氨氣、氯化氫、氰化氫、氟化氫、磷化氫、二氧化氯、環氧乙烷、一氧化氮、過氧化氫、四氫噻吩、甲醛、VOC、催化燃燒可燃氣
9.功率:0.72W
10.整機取得省級校準證書
11.生產企業為3A級信用企業
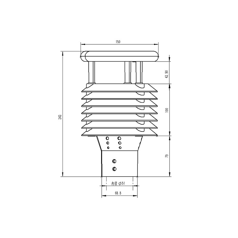
四、產品尺寸圖
五、產品結構圖
1、控制電路
2、指北箭頭
3、超聲波探頭
4、百葉箱PM2.5、PM10
5、溫度、濕度、噪聲、氣壓監測位置
6、法蘭轉換頭
※此產品可選配電子羅盤功能
六、產品接線定義
定義 | 備注 | |
VCC | 電源正 | DC12V |
GND | 電源地 | |
485A | RS485A | |
485B | RS485B |
WX-LSZ06立桿式水質在線監測站是一款現代的、自動化的水質監測設備,負責實時采集水質數據,包括溫度、pH值、溶解氧、濁度、氨氮、總磷等多項指標,它采用先進的傳感器技術和數據處理算法,能夠全天候不間斷地監測水質變化,及時發現異常情況并發出預警,為水環境管理提供及時、準確的信息支持。···
WX-PQX10小型便攜式自動氣象站是一種集多種氣象要素監測于一體的微型設備。它通常體積小巧,重量輕便,可以輕松放入拉桿箱中,方便我們隨身攜帶。別看它身材迷你,功能卻十分強大。內置的高精度傳感器能夠實時監測溫度、濕度、風速、風向、氣壓等關鍵氣象參數,讓我們隨時隨地掌握天氣變化的第一手資料。···
想象一下,如果光伏電站能夠提前知曉天氣變化,調整運維策略,那將是怎樣一番景象?WX-FGF9光伏環境監測儀正是這樣一位“未來預言家”。它通過集成高精度傳感器,實時監測溫度、濕度、風速、風向、輻照度等關鍵環境因素,結合先進算法,對發電效率進行精準預測。這意味著,無論是突如其來的云層遮蔽,還是即將來臨的沙塵暴,電站都能迅速響應,優化發電計劃,最大化利用每一縷陽光,實現效率與收益的雙重飛躍。···
流速測量的廣闊領域中,聲學多普勒流速剖面儀以其獨特的測量原理、廣泛的應用領域以及顯著的測量優勢,成為了流速測量領域的佼佼者。WX-LS6+聲學多普勒流速剖面儀的工作原理基于多普勒效應,它利用聲波脈沖信號與水體中懸浮顆粒的相互作用,通過測量反射回波的頻率變化,精確計算出水流的相對速度和方向。這一過程無需物理采···
WX-SQ5A超聲波手持式氣象儀的核心技術在于超聲波的精確測量。通過發射超聲波并接收其反射信號,儀器能夠精確測量風速、風向、溫度、濕度等多項氣象參數。這種非接觸式的測量方式,不僅避免了傳統機械式傳感器可能帶來的磨損和誤差,還大大提高了測量的穩定性和可靠性。除了超聲波技術,超聲波手持式氣象儀還配備了強大的智能算法。這些算法能夠對收集到的氣象數據進行實時分析、處理和優化,提供更加精準、全面的氣象信息。···
WX-FBQ2油庫防爆氣象站是專為油庫等高風險環境設計的氣象監測系統。它不僅能夠實時監測溫度、濕度、風速、風向、氣壓等常規氣象參數,更具備對雷電、靜電等可能引發火災爆炸的特殊氣象條件的預警能力。就像是油庫的“智慧之眼”,時刻警惕著周圍環境的變化,一旦發現異常,立即啟動預警機制,為油庫安全提供第一時間的響應。···